Calculadoras de
Electrónica
Home
Calcular resistencia interna de batería
Calcular valores en circuito mixto 1
Calcular valores en circuito mixto 2
---
---
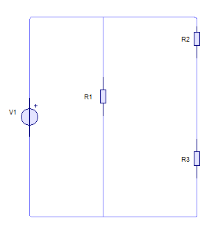
Ingresa los siguientes valores
Voltaje de la fuente:
Volts
Valor de resistencia 1:
Ω
Valor de resistencia 2:
Ω
Valor de resistencia :
Ω
Otros cálculos